国家标准GB/T 34275—2024《压力管道规范长输管道》(以下简称“该标准”),发布于2024年12月31日,自2024年12月31日开始实施,全部代替标准GB/T 34275—2017《压力管道规范长输管道》。
该标准规定了陆上油气长输管道材料、设计和计算、施工和安装、检验和试验、安全防护、试运投产、使用和维护以及维抢修的基本要求。
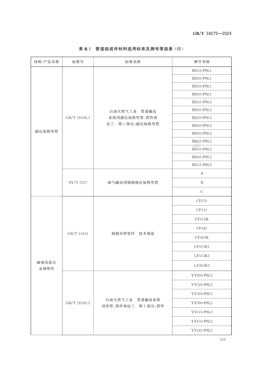
以上标准信息源自全国标准信息公共服务平台,点击下方标准封面或文章底部“阅读原文”即可查看该标准详细信息、在线预览和下载标准。























































































































































































黑龙江省燃气协会成立于2024年3月1日,是在黑龙江省民政厅注册登记具有法人资格的非营利性社会团体,接受业务主管单位黑龙江省住房和城乡建设厅的业务指导和登记机关黑龙江省民政厅的监督管理。
协会秉承坚持政治属性、坚持人民至上、敦促安全生产、履行法定职责的宗旨,以最坚定的工作信念和最饱满的工作热情服务政府、服务会员、服务行业、服务社会,热忱欢迎广大燃气经营企业、技术研究院、高校、设计咨询、产品生产企业和涉及燃气业务的相关单位加入协会。
扫一扫了解更多
